模型详情
1/4
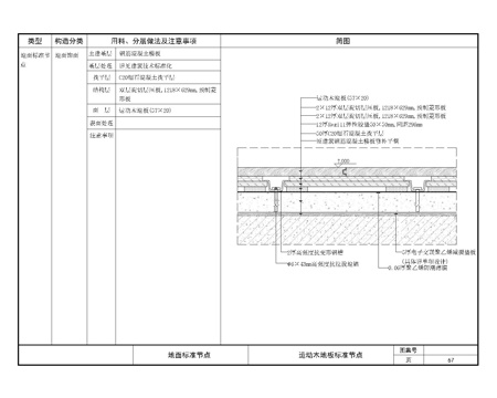
圆形篮球体育馆施工图cad施工图
ID:
5009245
圆形篮球体育馆施工图cad施工图 ID-5009245
所需欧币:
36
发布时间:
2025-09-28
下载请使用电脑登录欧模网,建议先收藏
收藏
分享
LL设计
关注
为您推荐
现代篮球场体育馆施工图cad施工图
学校篮球场体育馆施工图cad施工图
圆形篮球场运动场地施工图cad施工图
运动体育馆建筑施工图cad施工图cad施工图
体育篮球场施工图cad施工图
篮球场馆 工程方案 施工图cad施工图
篮球场运动场地图库cad施工图cad施工图
中学篮球场运动场施工图cad施工图
多个圆形拼花CADcad施工图
学校标准篮球场构造节点详图及照明全套CAD施工图集cad施工图
篮球馆木地板CADcad施工图
半场篮球场节点图cad施工图
运动场地体育馆弱电图cad施工图
篮球场彩色平面图库cad施工图
椭圆形吊顶、圆形吊顶、软膜天花cad施工图
35个圆形地面拼花cad施工图
篮球羽毛球网球运动球场CAD施工图详图集cad施工图
廊架 圆形廊架 圆环廊架 圆形景亭 弧形廊架 圆形凉亭cad施工图
施工图cad施工图
样板房施工图cad施工图cad施工图
点击加载更多
分享到
复制链接
保存海报
取消
请选择收藏夹
+新增收藏夹
新增收藏夹
取消
确认
退出查看