模型详情
1/6
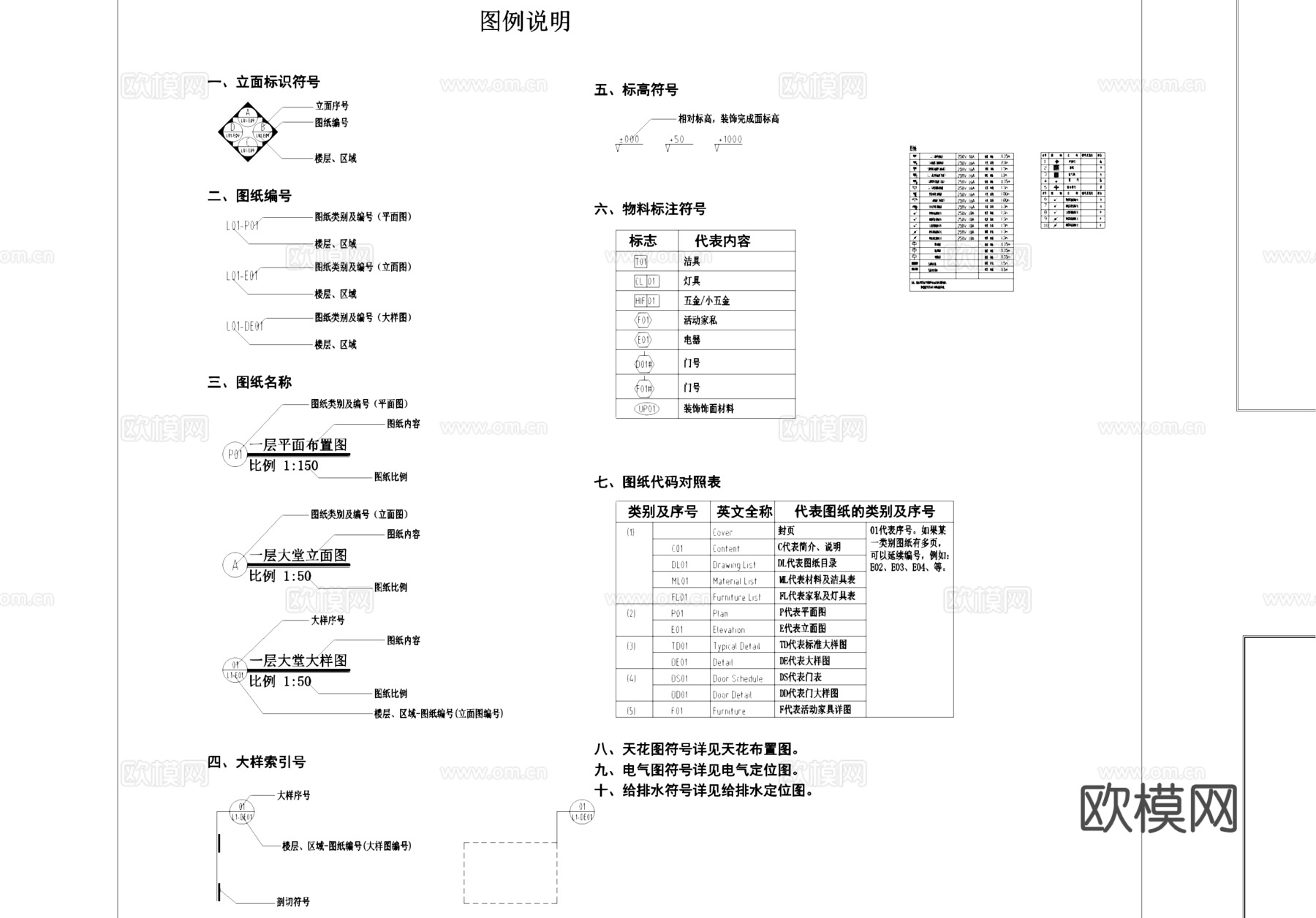
CAD标准图框施工图合集cad施工图
ID:
5375877
CAD标准图框施工图合集cad施工图 ID-5375877
所需欧币:
16
发布时间:
2026-02-03
下载请使用电脑登录欧模网,建议先收藏
收藏
分享
皮肤干燥
关注
为您推荐
CAD图框图表标准样式施工图集cad施工图
HBA标准制图规范图例图表图框CAD图库图块施工图合集cad施工图
梁志天标准制图规范图例图表图框CAD图库图块施工图合集cad施工图
高文安标准制图规范图例图表图框CAD图库图块施工图合集cad施工图
标准客房方案CAD合集cad施工图
A0图框CAD施工图cad施工图
图框制图规范CAD施工图cad施工图
封面图框CAD素材图库cad施工图
图框模板制图规范CAD施工图cad施工图
A2图框cad施工图
A2竖版图框CAD施工图cad施工图
A2横版图框CAD施工图cad施工图
CCD标准制图规范CAD图库图块施工图模块合集cad施工图
DOP大朴室内标准制图规范图框图例图块CAD施工图集cad施工图
符号图标索引图例图框制图规范CAD施工图cad施工图
壁炉合集cad施工图
市政标准道路断面图CAD施工图cad施工图cad施工图
城市标准道路断面图CAD施工图cad施工图
城市标准道路断面图CAD施工图cad施工图
城市标准道路断面图CAD施工图cad施工图
点击加载更多
分享到
复制链接
保存海报
取消
请选择收藏夹
+新增收藏夹
新增收藏夹
取消
确认
退出查看