模型详情
1/2
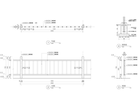
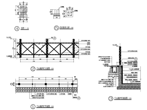
玻璃栏杆大样CAD施工图cad施工图
ID:
5410031
玻璃栏杆大样CAD施工图cad施工图 ID-5410031
所需欧币:
16
发布时间:
2026-02-25
下载请使用电脑登录欧模网,建议先收藏
收藏
分享
皮肤干燥
关注
为您推荐
玻璃栏杆cad施工图
楼梯栏杆大样详图CAD施工图cad施工图
玻璃栏杆CAD施工图合集 7套cad施工图
无边框发光玻璃栏杆扶手节点CAD施工图cad施工图
园林景观围墙栏杆大样详图CAD施工图集 40套cad施工图
亲水平台及栏杆大样CAD施工详图cad施工图
木平台 观景台 玻璃栏杆cad施工图
栏杆cad施工图
木平台 观景台 玻璃栏杆cad施工图
玻璃亭景观大样CAD施工详图集cad施工图
栏杆cad施工图
树池篦子栏杆大样景观CAD施工详图cad施工图
景观拱桥及栏杆详图CAD施工图cad施工图
栏板 石栏杆 木栏杆 CAD施工图cad施工图
空调风口通用大样cad施工图cad施工图
卫浴节点大样CAD施工图cad施工图
铁艺栏杆cad施工图
发光玻璃栏杆扶手外包石材节点CAD施工图cad施工图
玻璃栏杆不锈钢扶手景观节点CAD施工图集 10套cad施工图
铁艺栏杆cad施工图
点击加载更多
分享到
复制链接
保存海报
取消
请选择收藏夹
+新增收藏夹
新增收藏夹
取消
确认
退出查看