模型详情
1/8
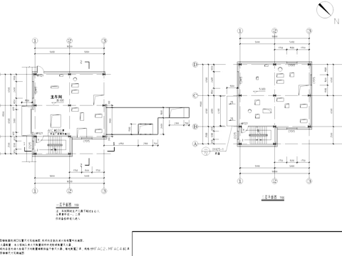
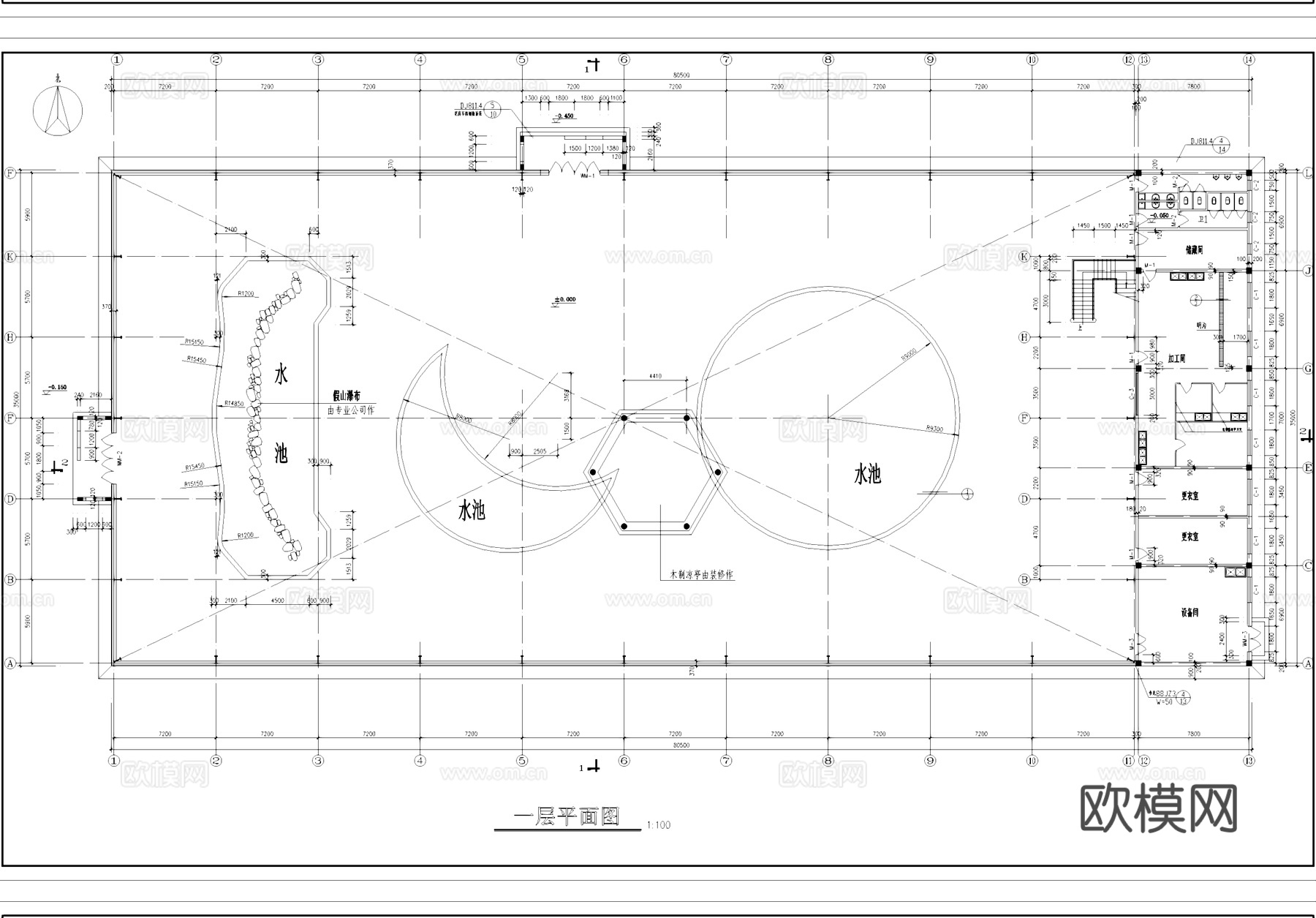
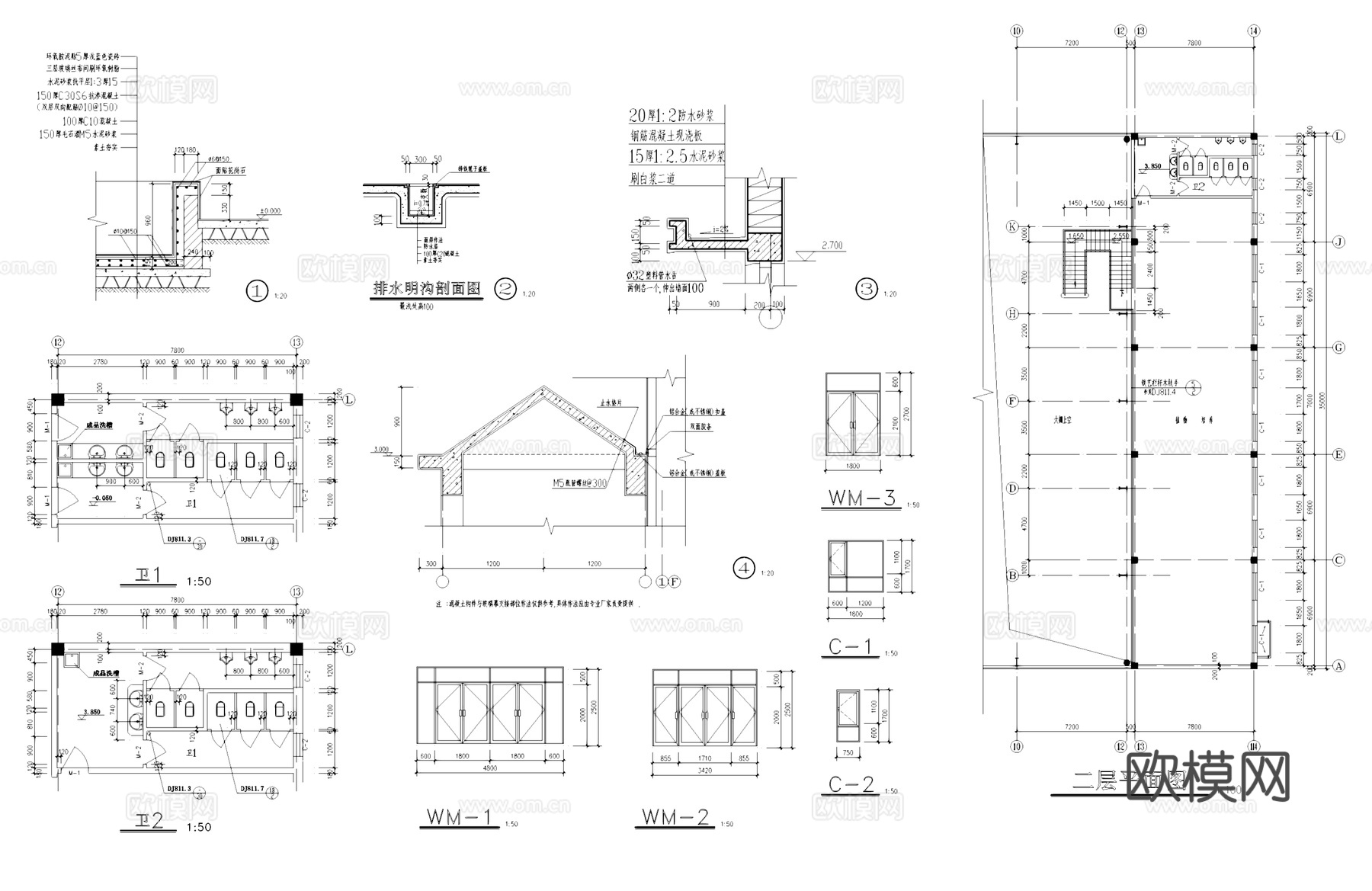
钢结构海珍品养殖大棚建筑CAD施工图cad施工图
ID:
5411926
钢结构海珍品养殖大棚建筑CAD施工图cad施工图 ID-5411926
所需欧币:
16
发布时间:
2026-02-24
下载请使用电脑登录欧模网,建议先收藏
收藏
分享
皮肤干燥
关注
为您推荐
钢结构库房工业建筑CAD施工图cad施工图
钢结构工业厂房建筑及结构CAD施工图cad施工图
钢结构厂房工业建筑结构CAD施工图cad施工图
单层轻钢结构车间工业建筑CAD施工图cad施工图
单层钢结构车间厂房工业建筑CAD施工图cad施工图
单层钢结构车间厂房工业建筑CAD施工图cad施工图
钢结构坡屋面车间厂房工业建筑CAD施工图cad施工图
别墅建筑CAD施工图集cad施工图
欧式商住建筑CAD施工图集cad施工图cad施工图
钢结构机械工厂车间厂房工业建筑CAD施工图cad施工图
五层钢结构车间大楼工业建筑CAD施工图cad施工图
钢结构养路队车辆检修厂房工业建筑CAD施工图cad施工图
钢结构棚 玻璃雨棚雨篷cad施工图cad施工图
酒店建筑CAD施工图集cad施工图
工业厂房建筑CAD施工图cad施工图
民宿客栈建筑CAD施工图cad施工图
单层食堂建筑CAD施工图cad施工图
健身中心建筑CAD施工图集cad施工图
街道换热站建筑CAD施工图cad施工图
钢结构发电机房工业建筑结构CAD施工图cad施工图
点击加载更多
分享到
复制链接
保存海报
取消
请选择收藏夹
+新增收藏夹
新增收藏夹
取消
确认
退出查看