模型详情
1/8
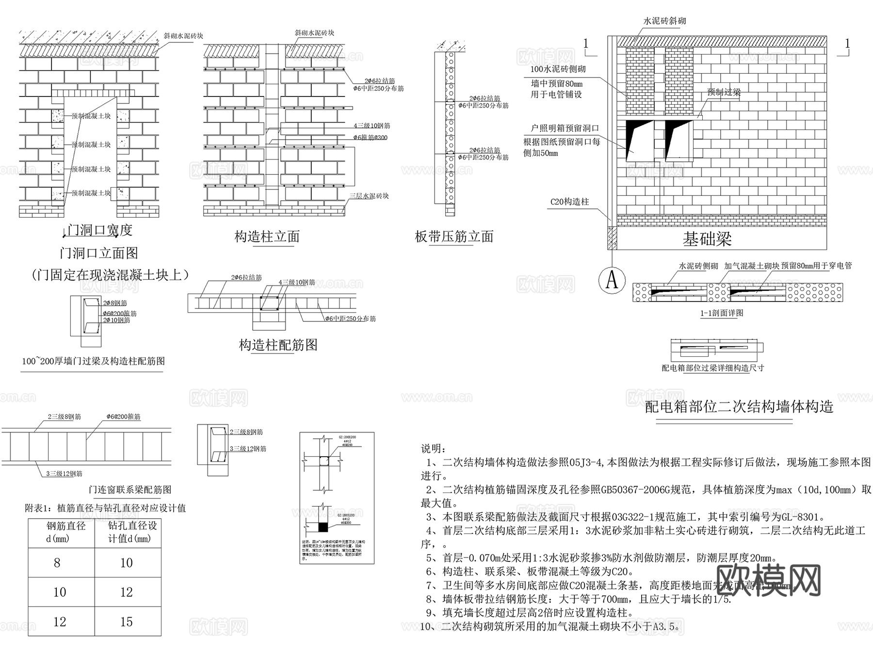
砖墙砌体结构砖块隔墙围墙门窗洞口砌筑节点CAD施工图集11套cad施工图
ID:
5560353
砖墙砌体结构砖块隔墙围墙门窗洞口砌筑节点CAD施工图集11套cad施工图 ID-5560353
所需欧币:
36
发布时间:
2026-04-10
下载请使用电脑登录欧模网,建议先收藏
收藏
分享
皮肤干燥
关注
为您推荐
砖砌体结构砖墙cad施工图
砖砌体结构砖墙cad施工图
欧式门窗节点大样详图CAD施工图集cad施工图
亭廊花架围墙景观构件节点CAD施工图集cad施工图
铁艺栏杆围墙围栏景观节点CAD施工图集 16套cad施工图
最全图集节点cad施工图
景观节点图集cadcad施工图
砖混结构墙体柱子圈梁板构造节点大样CAD施工图集cad施工图
道路路面结构设计CAD施工图集cad施工图
码头景观节点详图CAD施工图集cad施工图
金螳螂欧式线条节点CAD施工图集cad施工图
溪涧景观节点大样CAD施工图集cad施工图
点式景观绿化节点CAD施工图集cad施工图
常用古建筑中式构造门窗纹样结构CAD施工图集图块 50套cad施工图
小区庭院景观围墙围挡节点大样详图CAD施工图集 9套cad施工图
彩钢钢架结构阳光厂房CAD施工图集 6套cad施工图
各材料标准墙面工艺节点CAD施工图集cad施工图
墙面工艺节点大样CAD施工详图集cad施工图
门工艺节点大样CAD施工详图集cad施工图
垂直绿化钢结构景观墙CAD施工图集cad施工图
点击加载更多
分享到
复制链接
保存海报
取消
请选择收藏夹
+新增收藏夹
新增收藏夹
取消
确认
退出查看