模型详情
1/8
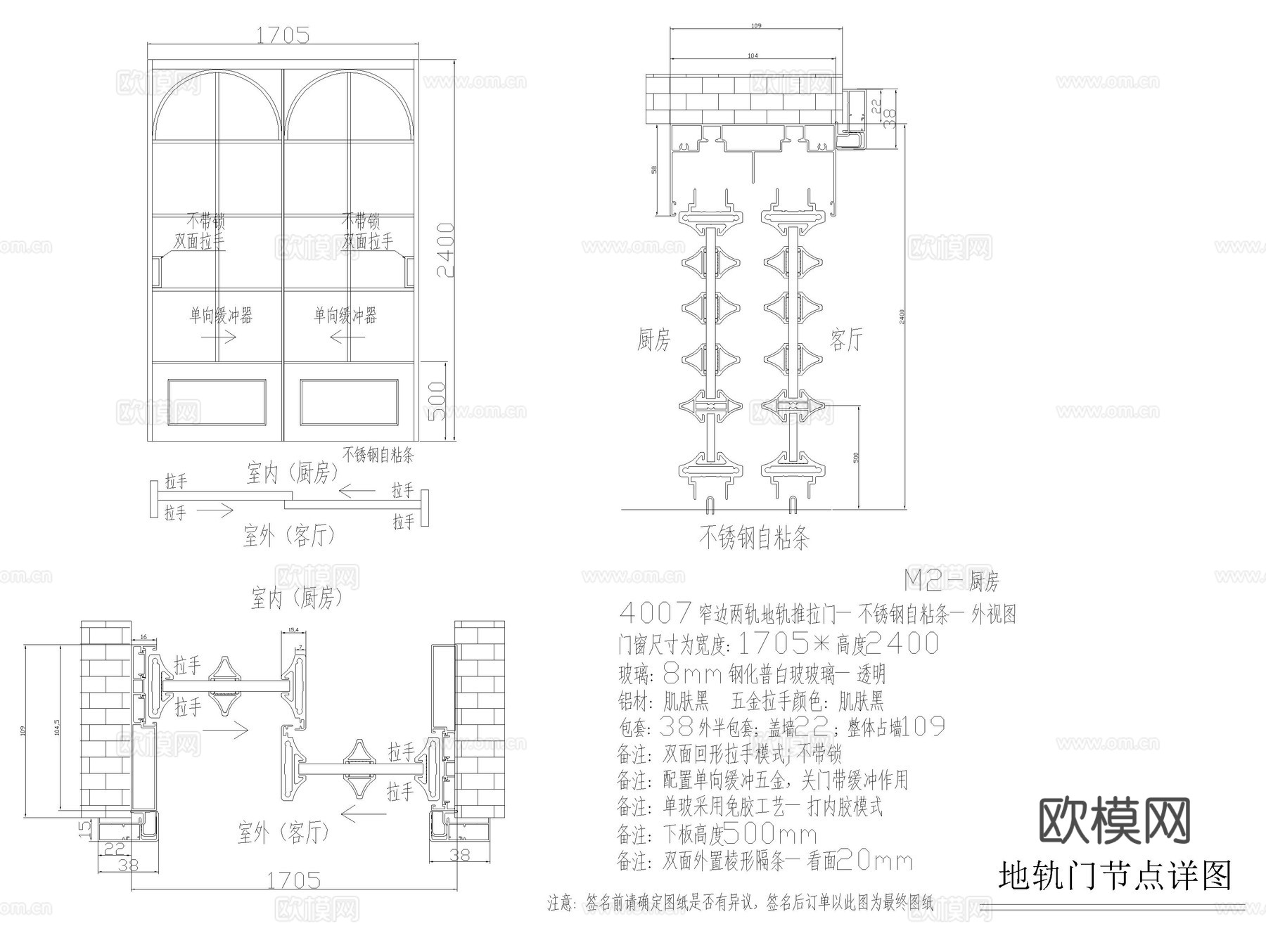
室内推拉门节点cad施工图
ID:
5165106
室内推拉门节点cad施工图 ID-5165106
所需欧币:
16
发布时间:
2025-11-17
下载请使用电脑登录欧模网,建议先收藏
收藏
分享
啦啦咯
关注
为您推荐
推拉门节点cad施工图
室内地面节点CADcad施工图
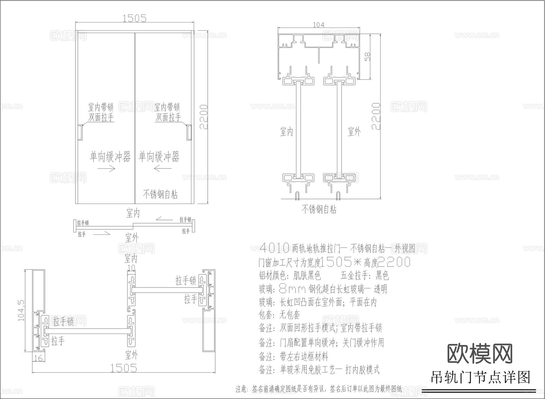
室内吊轨门节点cad施工图
室内折叠门节点cad施工图
墙面节点 墙面凿洞节点 儿童室内墙面装饰cad施工图
厨房推拉门 现代推拉门 玻璃门 门节点图cad施工图
室内装修标准设计节点大样详图CAD施工图集cad施工图
实木门 推拉门节点 玻璃门节点 单双开门 CAD施工图cad施工图
地漏节点cad施工图
地毯节点cad施工图
玻璃门 玻璃推拉门 办公推拉门 玻璃门节点cad施工图
景观节点cad施工图
铝板墙面CAD节点cad施工图
室内外栏杆扶手护栏节点大样详图CAD施工图集 64套cad施工图
景观节点图集cadcad施工图
沙发背台节点 CAD施工图cad施工图
装饰吊顶节点cad施工图
楼梯节点CAD施工图cad施工图
玻璃门 推拉门 衣帽间隐门 门节点cad施工图
长虹玻璃门 推拉门 厨房玻璃门 门节点cad施工图
点击加载更多
分享到
复制链接
保存海报
取消
请选择收藏夹
+新增收藏夹
新增收藏夹
取消
确认
退出查看