模型详情
1/8
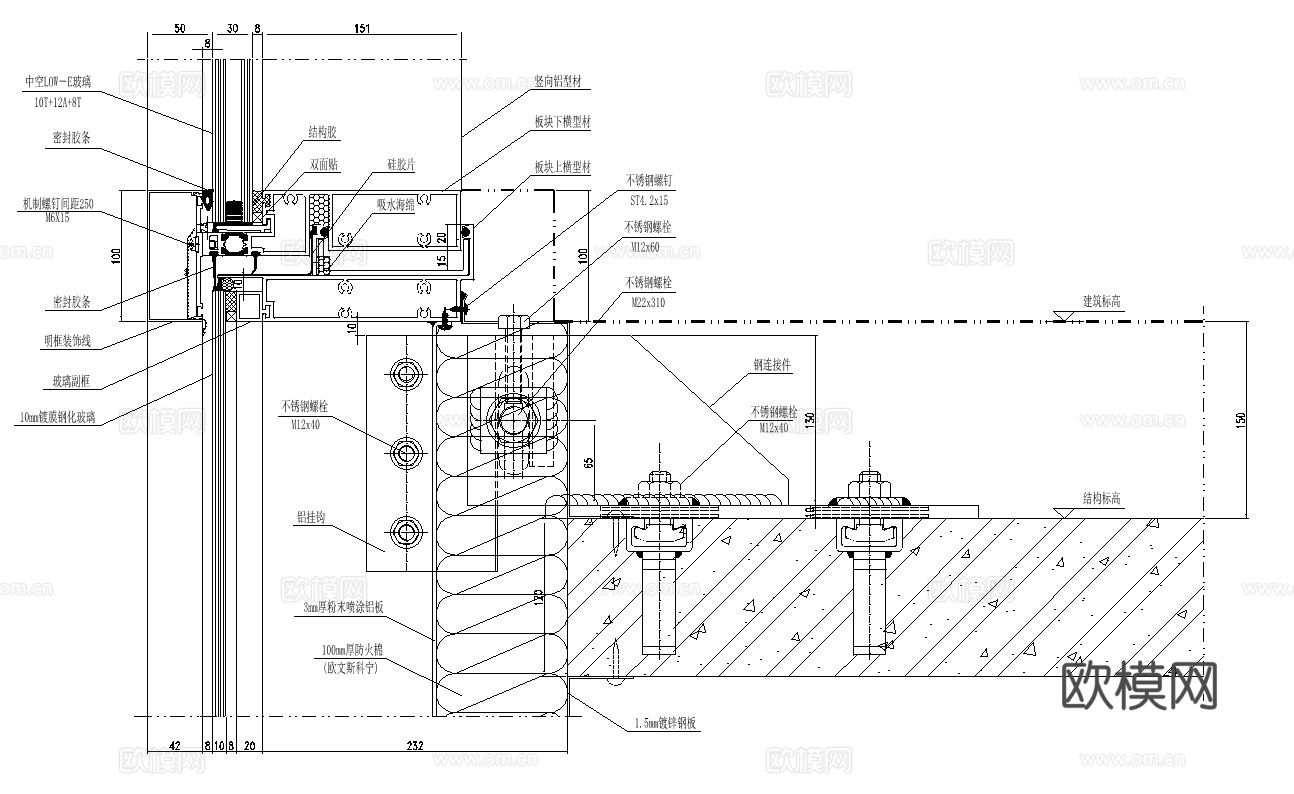
99套单元幕墙窗口节点详图cad施工图
ID:
5163422
99套单元幕墙窗口节点详图cad施工图 ID-5163422
所需欧币:
86
发布时间:
2025-11-13
下载请使用电脑登录欧模网,建议先收藏
收藏
分享
大可
关注
为您推荐
明框幕墙节点cad施工图
幕墙层间防火节点cad施工图
服务台节点详图cad施工图
欧式栏杆节点详图cad施工图
玻璃幕墙节点图cad施工图
玻璃幕墙节点图cad施工图
400套施工图CAD通用节点详图cad施工图
挑檐详图 屋檐节点 CAD施工图cad施工图
九大工艺节点详图cad施工图
观景平台景观节点CAD施工详图cad施工图
员工餐厅取餐窗口、员工食堂取餐窗口、取餐窗口剖面详图、快餐厅cad施工图
木平桥景观节点结构详图CAD施工图cad施工图
商铺玻璃门节点详图cad施工图
欧式窗户节点大样详图CAD施工图cad施工图
欧式门窗节点大样详图CAD施工图集cad施工图
欧式窗户节点大样详图CAD施工图cad施工图
室内装修标准设计节点大样详图CAD施工图集cad施工图
车库入口廊架构架节点大样详图CAD施工图cad施工图
多级跌水叠水景观节点大样详图CAD施工图cad施工图
35套景观园林道路地面铺装标准做法节点详图CAD施工图cad施工图
点击加载更多
分享到
复制链接
保存海报
取消
请选择收藏夹
+新增收藏夹
新增收藏夹
取消
确认
退出查看