模型详情
1/1
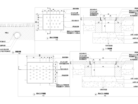
燃气分气阀 燃气多路阀 燃气集管阀 燃气分配阀 燃气总管阀cad施工图
ID:
5444136
燃气分气阀 燃气多路阀 燃气集管阀 燃气分配阀 燃气总管阀cad施工图 ID-5444136
所需欧币:
36
发布时间:
2026-03-16
下载请使用电脑登录欧模网,建议先收藏
收藏
分享
海量CAD素材库
关注
为您推荐
气动阀岛 气动汇流阀组 电磁阀集成块 气动阀组 集成气动阀cad施工图
阀门 闸阀 门阀开关 截门阀 管路门阀cad施工图
快速耦合阀 CAD施工图cad施工图
常用阀门截止阀蝶阀CAD施工图集 17种cad施工图
远控排烟阀(口)操作装置暗门立面详图cad施工图
厨房设施设备厨柜燃气灶油烟机三维立体CAD图块图库cad施工图
快速取水器取水阀安装大样给排水节点cad施工图
排水沟节点 雨水口节点 阀门井 快速取水阀水表 自动排气阀cad施工图
快速取水阀排水口井盖给排水节点CAD施工图集 11套cad施工图
雨水口节点 阀门井 快速取水阀 水表井 取水器阀门盖板cad施工图
管卡 管夹 管箍 管束 管道固定夹cad施工图
管沟管道包管涵管雨污水管管线埋管开挖回填CAD施工图集 9套cad施工图
交通工具车船飞机CAD图库集cad施工图
雨水口节点盲管CAD施工图cad施工图
屋脊瓦片喷泉水管CAD图库cad施工图
现代抽象网红装饰画挂画陈设CAD图块图库集cad施工图
五金管件 门把手cad施工图
中式欧式雕花角花线条纹样CAD图块图库集 8套cad施工图
屋面透水盲管布置 排水盲沟 泄水口 排水管节点 建筑给排水cad施工图cad施工图
中式古典明清家具门窗雕花装饰画CAD图块图库集cad施工图
点击加载更多
分享到
复制链接
保存海报
取消
请选择收藏夹
+新增收藏夹
新增收藏夹
取消
确认
退出查看